网站首页 恒春概况 产品展示 新闻资讯 荣誉资质 应用业绩 下载中心 联系我们 会员中心 ENGLISH

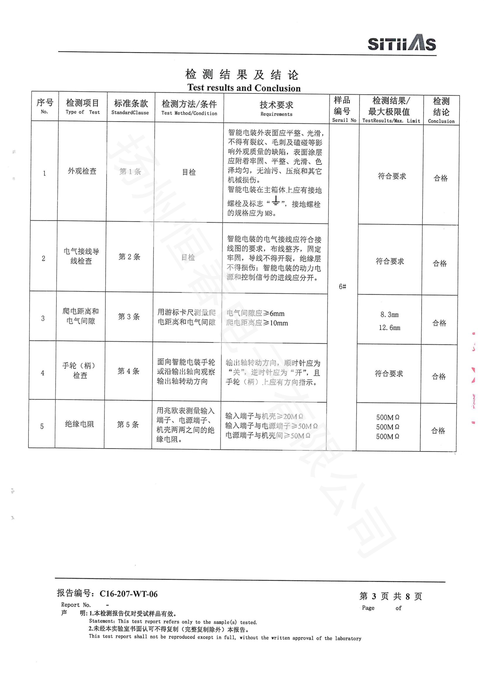
C16-207-WT-06 CKD60I

时间:2025-11-25 11:18:55 68


版权所有:扬州恒春电子有限公司
|网站地图|服务热线:4006611192|